High Quality Single/Three Phase VFD 220V 380V AC Drive 630KW Variable Frequency Inverter PWM Control for AC Motor Compressor
Spu:
1601487217768
- Overview
- Recommended Products
Products Description
PQ580 Variable Frequency Drive
The PQ580 series from Frequenctech is a high-performance, multi-functional, integrated general-purpose (GP) variable frequency drive (VFD) that incorporates features such as high efficiency, intelligence, ease of use, cost-effectiveness, high quality, and excellent service. The integrated GP design philosophy provides broader applicability and a more convenient user experience. This series supports the Modbus communication protocol, enables integrated driving of synchronous and asynchronous motors, and incorporates various control, communication, making it widely applicable in various scenarios requiring asynchronous motor speed control, such as wind power, water pumps, and industrial automation. Leveraging advanced vector control technology and powerful communication capabilities, the PQ580 series provides outstanding reliability and efficiency for motor drives.
This advanced frequency drive technology incorporates pulse width modulation control systems that enable precise motor speed regulation, torque optimization, and energy efficiency enhancement for compressor operations, pump systems, conveyor mechanisms, and various rotating machinery installations. The dual voltage configuration accommodating both single-phase and three-phase power systems provides exceptional versatility for international deployment scenarios, ensuring seamless integration into existing electrical infrastructure regardless of regional power standards or facility-specific requirements. Manufacturing facilities specializing in precision engineered drive systems leverage decades of accumulated expertise in developing robust variable frequency inverters that demonstrate consistent performance reliability under continuous operation conditions while maintaining optimal electromagnetic compatibility characteristics essential for industrial environments.

Sales Highlight Point
Function &Parameter:
• VFD drives inbuilt vector control for ACIM and PMSM motor
• VFD control mode is V/F control or SVC open circuit vector
• Employs the latest generation IGBT power modules for quiet operation.
• The inverter features an integrated G/P design for easy customer applicability
• VFD output frequency Max 3000Hz.
• VFD Torque boost function of the electric motor by up to 30%
• VFD has a Standard built-in brake unit for 0.4KW- 30KW
• VFD MODBUS support standard RS-485 physical communication interface
• VFD removable panel with external installation up to 50m
• VFD Built-in PID, PLC, AVR, JOG, Timers, protections, EMC filter
• VFD has safety function EMS emergency machine stop
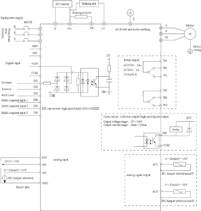
• VFD has 6 digital inputs, including 1 high-speed 20KHz pulse; 2 analog inputs are integrated input 0-10V and 4-20 mA input terminal
• VFD has 1 digital , 2 analog output support 0~20mA or 0~10V and 2 relay output terminal
• VFD drives inbuilt vector control for ACIM and PMSM motor
• VFD control mode is V/F control or SVC open circuit vector
• Employs the latest generation IGBT power modules for quiet operation.
• The inverter features an integrated G/P design for easy customer applicability
• VFD output frequency Max 3000Hz.
• VFD Torque boost function of the electric motor by up to 30%
• VFD has a Standard built-in brake unit for 0.4KW- 30KW
• VFD MODBUS support standard RS-485 physical communication interface
• VFD removable panel with external installation up to 50m
• VFD Built-in PID, PLC, AVR, JOG, Timers, protections, EMC filter
• VFD has safety function EMS emergency machine stop
• VFD has 6 digital inputs, including 1 high-speed 20KHz pulse; 2 analog inputs are integrated input 0-10V and 4-20 mA input terminal
• VFD has 1 digital , 2 analog output support 0~20mA or 0~10V and 2 relay output terminal
Main Features:
• Two control modes: Vector Control (SVC), V/F control
• Multi-segment V/F curve setting function
• Starting torque: 150% at 0.5Hz with sensorless vector control (SVC)
• Built-in PID control function, which can realize closed-loop constant temperature and constant pressure control
• Supports multiple frequency settings: digital setting, analog setting, PID setting, RS485 communication setting
• Supports multi-speed and swing frequency operation, and 16-speed control can be realized through external terminals.
• I/O terminals can be freely programmed to combine various working modes according to user needs.
• Has skip frequency control function, which can effectively suppress mechanical resonance and make the system more stable and reliable.
• Has instantaneous power loss ride-through function, which can avoid production interruption due to instantaneous power failure.
• Main/auxiliary frequency switching function, run command switching function, local/remote switching function
• Automatic voltage regulation function, effectively solving the problem of low-frequency oscillation of high-power motors
• Provides multiple fault protection functions: comprehensive real-time monitoring and protection against overcurrent, overvoltage, undervoltage, overheat, overload, phase loss, etc.
• Two control modes: Vector Control (SVC), V/F control
• Multi-segment V/F curve setting function
• Starting torque: 150% at 0.5Hz with sensorless vector control (SVC)
• Built-in PID control function, which can realize closed-loop constant temperature and constant pressure control
• Supports multiple frequency settings: digital setting, analog setting, PID setting, RS485 communication setting
• Supports multi-speed and swing frequency operation, and 16-speed control can be realized through external terminals.
• I/O terminals can be freely programmed to combine various working modes according to user needs.
• Has skip frequency control function, which can effectively suppress mechanical resonance and make the system more stable and reliable.
• Has instantaneous power loss ride-through function, which can avoid production interruption due to instantaneous power failure.
• Main/auxiliary frequency switching function, run command switching function, local/remote switching function
• Automatic voltage regulation function, effectively solving the problem of low-frequency oscillation of high-power motors
• Provides multiple fault protection functions: comprehensive real-time monitoring and protection against overcurrent, overvoltage, undervoltage, overheat, overload, phase loss, etc.
Technical Specfication
Input Voltage (V)
|
1PH AC220V ±10% 50~60Hz;
3PH AC220V ±10% 50~60Hz;
3PH AC380V ±15% 50~60Hz
|
Output Voltage(V) |
3PH AC 0~input voltage;
3PH AC 0~input voltage;
3PH AC 0~input voltage
|
Power Range (KVA) |
0.4KW~2.2KW;
0.4KW~75KW;
0.75KW~700KW
|
Output Frequency Range |
0~500Hz |
Control Mode |
V/F, SVC0, SVC2 |
Starting Torque |
0.5Hz/180%(SVC) |
Overload Capability |
G type: 150% rated current 60s,180% rated current 3s
P type: 120% rated current 60s,150% rated current 3s
|
Communication Port |
RS-485:Modbus |
Protection Level |
IP20 |
Cooling Method |
Forced air cooling |
Fault Protection |
Protect from over current, over voltage, under voltage, over temperature, phase failure, over load etc. |
Details Images

Multi-mode adjustment
0-500Hz, Adjustable
Double-line display
Multi-function, double line display
Multi-function, double line display
Free speed regulation
Easy adjustment, flexible control
Easy adjustment, flexible control
Protective Motor
Smooth start, motor stable operation
Smooth start, motor stable operation
Save Energy and electricity
Low frequency torque, save unnecessary energy consumption
Low frequency torque, save unnecessary energy consumption
Multiple Protection
The safety guarantee, protects the escort for the equipment
The safety guarantee, protects the escort for the equipment







Specifications and Model



Style number |
PQ580-FI-FIG.1 |
PQ580-FIG.2 |
PQ580-FIG.3 |
PQ580-FIG.4 |
Porduct Volotage |
0.75/1.5/2.2/3.0KW |
4/5.5KW |
7.5/11KW |
15/18.5/22KW |
Installation Dimension |
15.3CM*9.6CM |
10.8CM*17.6CM |
14.8CM/23.7CM |
20.5CM*30.5CM |
VFD Dimension |
10.8*14.2*16.5CM |
12*15.6*18.6CM |
16.2*17.7*25 |
21.8*19.6*31.9 |
Mounting hole diameter |
Φ5.0 |
Φ5.0 |
Φ5 |
Φ6 |
G.W |
1.65KG |
2KG |
4KG |
7KG |
Style number |
PQ580-FIG.5 |
PQ580-FIG.6 |
PQ580-FIG.7 |
Porduct Volotage |
30KW |
37/45KW |
55/75KW |
Installation Dimension |
16CM*34.5CM |
18CM*41.2CM |
20CM*57CM |
VFD Dimension |
22*21*36CM |
26*22.5*43CM |
26.2*28*59CM |
Mounting hole diameter |
Φ6.5 |
Φ6.5 |
Φ6.5 |
G.W |
11KG |
16KG |
28KG |
Style number |
PQ580-FIG.8 |
PQ580-FIG.9 |
PQ580-FIG.10 |
Porduct Volotage |
90/110/132KW |
160/185KW |
200/220/250/285KW |
Installation Dimension |
26CM*60CM |
26CM*78CM |
36CM*87.6CM |
VFD Dimension |
32*30*62CM |
38*31.5*80CM |
48*35*90CM |
Mounting hole diameter |
Φ10 |
Φ10 |
Φ12 |
G.W |
41KG |
60KG |
90KG |
Style number |
PQ580-FIG.11 |
PQ580-FIG.12 |
PQ580-FIG.13 |
Porduct Volotage |
315/355KW |
400/450/500KW |
550/630KW |
Installation Dimension |
50CM*103.6CM |
64CM*117.3CM |
80CM*131.5CM |
VFD Dimension |
65*35*106CM |
86*35*120CM |
100*39*135CM |
Mounting hole diameter |
Φ12 |
Φ14 |
Φ14 |
G.W |
150/153KG |
180KG |
294KG |
Application:
Metal processing ,digital machine tool, wire drawing bench and other mechanical equipment . paper making equipment, chemistry industry ,medicine industry and textile industry ,all kinds of fans and pumping load .etc

Packing & Payment & Shipping

PACKING
Professional packing with multi-protection
Different good will have different packing guarantee the transportaion safety of products
Different good will have different packing guarantee the transportaion safety of products

PAYMENT
1. Standard payment terms: T/T 30% deposit, 70%balance against B/L copy or 100% irrevocable LC at sight.2. Online trade assurance order all is up to you.
3. More payment terms could be provided. (Alibaba Pay, We Chat Pay, Western Union...)
SHIPPING
1. Delivery time: Generally it is 5-10 days if the goods are in the stock, or it is 15-20 days if the goods are not in the stock, it is according to the quantity.
2. General export packing or customized packing as your request.
3. Professional goods shipping forwarder.
2. General export packing or customized packing as your request.
3. Professional goods shipping forwarder.
Company Profile

ZHEJIANG PQUAN Technology Co.Ltd. Is a company engaged in the reseach and development ( R&D), manufacture, sale, distribution, and service of electric drive and control products.
We are a professional and experienced supplier of automation solution for various field.The main products includes general-purpose inverters, soft starters, and voltage regulators. These products are known for their advanced technology, comprehensive functions, stable operation, simple operation, excellent energy saving capabilities, and outstanding performance.
We are a professional and experienced supplier of automation solution for various field.The main products includes general-purpose inverters, soft starters, and voltage regulators. These products are known for their advanced technology, comprehensive functions, stable operation, simple operation, excellent energy saving capabilities, and outstanding performance.

Certifications

After Sales Service:
We provide reliable after-sales support to ensure your inverter operates efficiently. Our services include:
1. Technical Support: Available 24/7 for installation, troubleshooting, and operational guidance.
2. Warranty: Coverage for manufacturing defects and component failures.
3. Maintenance: Regular check-ups by certified technicians to keep your inverter in top condition.
4. Repairs: Quick and efficient repair services using genuine parts.
5. Training: User manuals and training sessions for proper operation and maintenance.
6. Spare Parts: Easy access to a wide range of spare parts for timely replacements.
Your satisfaction is our priority. Contact us for any assistance with your inverter.
1. Technical Support: Available 24/7 for installation, troubleshooting, and operational guidance.
2. Warranty: Coverage for manufacturing defects and component failures.
3. Maintenance: Regular check-ups by certified technicians to keep your inverter in top condition.
4. Repairs: Quick and efficient repair services using genuine parts.
5. Training: User manuals and training sessions for proper operation and maintenance.
6. Spare Parts: Easy access to a wide range of spare parts for timely replacements.
Your satisfaction is our priority. Contact us for any assistance with your inverter.
OEM Services:
1. Logo
Please offer us your own high resolution logo in JPG format,there should be two colors at most in the logo and there should be no gradient effect in the logo.
2. Label
Please offer us your own model numbers.
3. Manual
Please offer us the finished manual file that can be printed directly.
Please offer us your own high resolution logo in JPG format,there should be two colors at most in the logo and there should be no gradient effect in the logo.
2. Label
Please offer us your own model numbers.
3. Manual
Please offer us the finished manual file that can be printed directly.
FAQ
Q1: What's The Advantages Of Your Products?
A1: We are a factory, so we have a number of production lines and first-class equipment and machines whichmeans we have hundreds of specifications. And also the company has the right to import and export, first-class quality, excellent service and praise, by domestic and foreign customers.
Q2: What Can I Buy From Your Company?
A2: Variable Frequency Drive, Intelligent Soft Starter, Automatic Voltage Regulator.
Q3: Is OEM/ODM Available?
A3: Yes, it is! Our products can be customized. We design and produce all kinds of Automatic Voltage
Regulators/Stabilizers according to our customers' specific requirements. Please notify us and confirm the design according to our samples first.
Q4: What Is The MOQ?
A4: For the small capacity products (Automatic Voltage Regulators/Stabilizers) of the default configuration, it is 10 sets. For the big capacity products, it is 1 set. Please let us know which capacity do you need first.
Q5: Can You Give Me A Sample Order First?
A5: Yes, we welcome the sample orders to test and check the quality. Mixing samples is also acceptable.
Q6: How Can You Guarantee The Quality?
A6: Always a pre-production sample before mass production; and always final inspection before shipment.
A1: We are a factory, so we have a number of production lines and first-class equipment and machines whichmeans we have hundreds of specifications. And also the company has the right to import and export, first-class quality, excellent service and praise, by domestic and foreign customers.
Q2: What Can I Buy From Your Company?
A2: Variable Frequency Drive, Intelligent Soft Starter, Automatic Voltage Regulator.
Q3: Is OEM/ODM Available?
A3: Yes, it is! Our products can be customized. We design and produce all kinds of Automatic Voltage
Regulators/Stabilizers according to our customers' specific requirements. Please notify us and confirm the design according to our samples first.
Q4: What Is The MOQ?
A4: For the small capacity products (Automatic Voltage Regulators/Stabilizers) of the default configuration, it is 10 sets. For the big capacity products, it is 1 set. Please let us know which capacity do you need first.
Q5: Can You Give Me A Sample Order First?
A5: Yes, we welcome the sample orders to test and check the quality. Mixing samples is also acceptable.
Q6: How Can You Guarantee The Quality?
A6: Always a pre-production sample before mass production; and always final inspection before shipment.